1. Компания и услуги
  2. Промышленность
  3. Материалы и аксессуары
  4. Промышленная автоматика
  5. Приводы
  6. Мотор-редукторы

Редукторный двигатель 0,37 кВт векторный инвертор 230В



#товара: 15933641387

Все товары продавца: silnikiplus

Состояние Новый

Счет-фактура Я выставляю счет-фактуру НДС

Бренд Зем

Модель 037-40F

Тип мотор-редуктора шнек

Номинальная мощность 370 В

Скорость вращения 0 об./мин

Код производителя 0,37-040

Количество 5 штук

  • Количество

  • Проблемы? Сомнения? Вопросы? Задайте вопрос!

    Oferujemy silnik wysokosprawny IE2  Falownik wektorowy (przy niskich obrotach trzyma moment) zasilanie 230V z przekładnia ślimakową.

    Falownik o zasilaniu jednofazowym (230V) umożliwia on zasilać silnik trójfazowy z gniazdka 230V

    Całość jest podłączona gotowa do pracy

    Regulacja obrotów poprzez potencjometr, obudowa falownika IP20

    Prosimy o dobór przełożenia przekładni aby zoptymalizować

    wymagane obroty z przekładni oraz uzyskać jak najwięcej Nm.

    ЦВЕТ ДВИГАТЕЛЯ ЧЕРНЫЙ

    Номинальные данные:

    • номинальная мощность при 50 Гц: 0,37 кВт
    • высокоэффективный двигатель IE2
    • IP55
    • частота вращения двигателя 1400 об / мин
    • номинальное напряжение: 230/400 В
    • класс изоляции: F
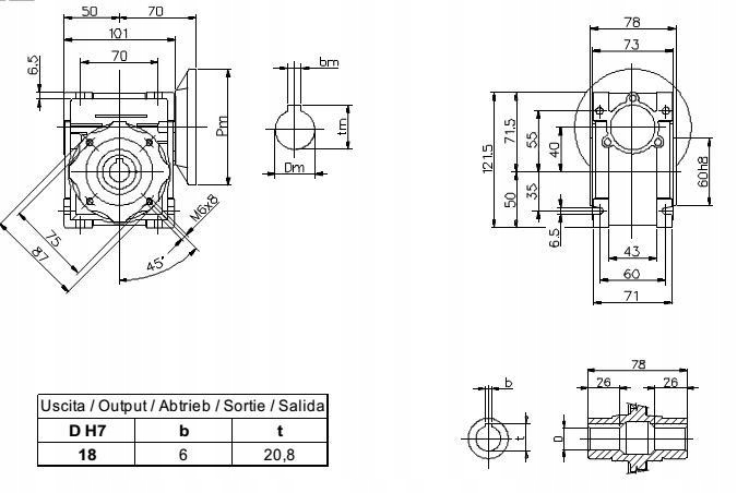
    • размер механическая коробка передач 040
    • диаметр выпускной втулки 18 мм

    Обороты от редуктора на выбор

    передаточное число 1/7, 5-186 об/мин-рекомендуемая регулировка 130-240 об / мин

    передаточное число 1/10 -140 об / мин об / мин

    передаточное число 1/15 - 93 об / мин об / мин

    передаточное число 1/20 - 70 об / мин об / мин

    передаточное число 1/25 -56 об / мин об / мин

    передаточное число 1/30 -46 об / мин при меньших оборотах следует использовать более крупные редукторы.

    .

    После покупки, пожалуйста введите в сообщениях продавцу выбранные обороты от трансмиссии.

    Zmiana prędkości odbywa się za pomocą potencjometru  na panelu falownika,

    Zmiana kierunku pracy silnika poprzez naciśnięcie przycisku JOG/REV.

    Przemiennik uszykowany do pracy do 70Hz, daje nam to możliwość

    zwiększenia obrotów motoreduktora o 40%

    Pulpit falownika zdejmowany, przewód zasilający pulpit w komplecie.

    Regulacja obrotami możliwa od zera ,Przy dłuższej pracy wymagane jest aby  obroty zawierały się przedziale + -  30% obrotów znamionowych silnika . W innym przypadku możne dojść do uszkodzenia silnika oraz falownika.(może nastąpić nadmierne grzanie się silnika co może doprowadzić do zwarcia uzwojenia silnika)

    Do motoreduktora jest możliwość dokupienia

    -wałka zdawczego

    -ramiona reakcyjnego

    -kołnierza mocującego przekładnie z urządzeniem

    -zaślepkę ślimacznicy

    Do falownika możliwość dokupienia zewnętrzne sterowanie

    z podłączeniem (kaseta sterownicza)

    -

    .

    Корзина 0