1. Дом и Сад
  2. Строительство и Аксессуары
  3. Электрика и аксессуары
  4. Предупреждения
  5. Приемно-контрольные приборы

CENTRALKA ALARMOWA DT-3/7Ah 3 LINIOWA DANTOM



#товара: 10449833056


Состояние Новый

Счет-фактура Я выставляю счет-фактуру НДС

Бренд ДАНТОМ

Тип сигнала Проводной

Код производителя DT-3/7Ah

Количество 1 штук

  • Количество

  • Проблемы? Сомнения? Вопросы? Задайте вопрос!

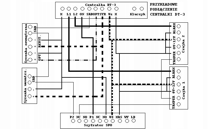
    Centralka alarmowa DT-3K/7Ah jest nowoczesną i niezawodną centralką przeznaczoną do małych systemów alarmowych. Po prawidłowym zainstalowaniu obsługa centralki sprowadza się jedynie do wizualnej kontroli stanów LED-ów na płycie czołowej. Centralka jest na tyle sprawna i wydajna że może być używana do sterowania systemów z kilkoma czujnikami i kilkoma sygnalizatorami. Może być włączana za pomocą dołączonej stacyjki jak również szyfratora, włącznika radiowego itp., może np. współpracować z powiadomieniem GSM ...

    • napięcie zasilania 230VAC
    • miejsce na akumulator 1,3Ah/12VDC
    • napięcie buforowe z akumulatora 12VDC
    • ilość linii 3 (1x bezpośrednia, 1x opóźniona, 1x 24godzinna)
    • pobór prądu do 25mA (w stanie alarmu)
    • nastawy czasowe regulowany czas alarmu, czas wejścia i wyjścia
    • pamięć alarmu na wyjściu Flesh
    • zabezpieczenie bezpiecznikami - sieć, wyjście prądowe i wyjście optyki
    • informacja optyczna oparta na diodzie LED o stanie centralki i podłączeniu 230VAC
    • zabezpieczenie antysabotażowe
    • temperatura pracy -10 do 40 st.C
    • wilgotność IP20
    • metalowa obudowa
    • wymiary 25,5/25,5/9 cm
    • waga 1,6kg

    Корзина 0