1. Электроника
  2. ЭЛЕКТРОНИКА и бытовая ТЕХНИКА
  3. Печатные платы, модули
  4. Комплекты для монтажа

Pro пайки обучения комплект 4 x DIY чипы комплект



#товара: 12051852871

Все товары продавца: Dikson_xxx

Состояние Новый

Счет-фактура Я выставляю счет-фактуру НДС

Код производителя Pro Zestaw do nauki lutowania 4 x układy

Количество 18 штук

  • Количество

  • Проблемы? Сомнения? Вопросы? Задайте вопрос!

    Cztery układy do własnoręcznego

    złożenia zlutowania:

    • Płynąca woda czerwony z regulatorem prędkości
    • 16 melodyjek , pozytywka
    • Kogut policyjny , stroboskop
    • Młynek , kręcący się wiatrak led + koszyk na 2 baterie

    Trudność montażu: ŁATWY

    Инструкция:

    На макетах напечатана Схема монтажа на пластинах. Необходимо обратить внимание на полярность светодиоды более длинная ножка-плюс, большинство элементов имеют описанные параметры на корпусе. Резисторы они могут иметь маркировку полосы их сопротивление и допуск можно прочитать с помощью калькуляторов доступны в интернете или путем измерения с помощью измерителя. в зависимости от макета, мы сначала собираем самые маленькие элементы.

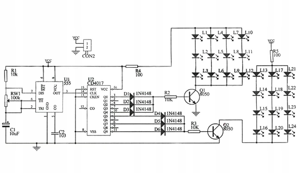
    Moduł pływająca woda/ pływające

    światło LED z regulacją

    częstotliwości

    do samodzielnego montażu , lutowania.

    Diody w kolorze czerwonym.

    Moduł oparty na układach NE555 i CD4017.

    W komplecie:

    Wszystkie potrzebne elementy do złożenia tego układu.

    Zasilanie: 3V-5V

    Wymiary układu 72mm x32mm.

    Elektroniczny młynek , wiatrak z regulacją

    prędkości,

    wymaga lutowania, zasilanie 3-4,5 V, rozmiar płytki 40x50mm. Koszyk na 2 baterie 1,5 V AA w komplecie.

    Diody led zapalają się sprawiając wrażenie kręcącego się młynka /wiatraka.

    Stroboskop , Efekt świetlny ,

    migające diody Led ,

    układ do samodzielnego montażu, wymaga lutowania.

    Rozmiar płytki 90mm x 30mm, zasilanie 9V - 12V.

    Schemat montażu podzespołów nadrukowany na płytce.

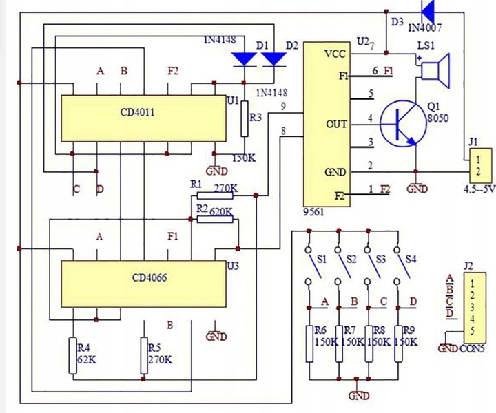
    Moduł elektroniczny do montażu

    16 pozytywek

    Napięcie robocze: 4.5-5 V

    Rozmiar PCB: 48mm (długość) * 42mm (W)

    Tryby sterowania:

    Kodowania (ABCD)

    0000: głos karabinu maszynowego

    0001: wóz strażacki sygnał

    0010: głos karetki pogotowia

    0011: głos samochodu

    0100: dźwięk świerszczy

    0101: alarm

    0110: dźwięk sygnału elektronicznego

    0111: koh

    1000: owad

    1001: gwizdek

    1010: telegraf

    1011: śpiew ptaków

    1100: strzały

    1101: samochód syreny

    1110: dźwięk instrumentów basowych

    1111: dźwięk samochodu wyścigowego

    Корзина 0