1. Компания и услуги
  2. Промышленность
  3. Промышленное строительство
  4. Материалы и аксессуары
  5. Болты, гайки, шайбы

PODKŁADKA PŁASKA DIN125 M12 NIERDZEWNA - 10SZT



#товара: 12242693756

Все товары продавца: jack20prv

Состояние Новый

Счет-фактура Я выставляю счет-фактуру НДС

Тип шайба

Норма 125/7089, 7090

Диаметр 12 мм

Количество штук в упаковке 10 шт.

Дополнительные характеристики из нержавеющей стали

Код производителя 45gaerg

Бренд Беймет

Количество 4540 штук

  • Количество

  • Проблемы? Сомнения? Вопросы? Задайте вопрос!

    PODKŁADKA PŁASKA NIERDZEWNA

    Norma : DIN 125 

    Materiał : A2/304 1,4301

    stal nierdzewna chromoniklowa    

    Rozmiar : M12

    Średnica otworu :  13,0 mm

    Aukcja dotyczy  : 10 sztuk

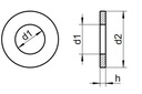
    • M: 12
    • d1: 13
    • d2: 24
    • h: 2,5

    Корзина 0