1. Электроника
  2. Компьютеры
  3. Серверы и аксессуары
  4. Матрицы
  5. Termostat klimakonwektora fancoila 4-rurowy T6375B1286, CKN102 (Tekatech)

Termostat klimakonwektora fancoila 4-rurowy T6375B1286, CKN102 (Tekatech)



#товара: 16475335279

Все товары продавца: checkFHTomasz

Состояние Новый

Счет-фактура Я выставляю счет-фактуру НДС

Производитель inny (S.P.D.T.)

Код производителя T6375B1286

EAN (GTIN) 5906196272656

Состояние упаковки оригинальные

Количество 969 штук

  • Количество

  • Проблемы? Сомнения? Вопросы? Задайте вопрос!

    T6375B1286 - Termostat do klimakonwektora 4-rurowego

    Element jest nowy, wysyłany bezpośrednio z magazynu firmy TEKATECH, masz pewność szybkiej dostawy i pełnej gwarancji producenta od momentu otrzymania urządzenia.

    Parametry:

    • Zakres kontroli temperatury: 10°C~30°C
    • Napięcie zasilania: 230VAC±10%, 50/60 Hz
    • Obciążenie prądowe: < 4(2)A
    • Skala pokrętła: co 1°C
    • Histereza: +/-0,8°C
    • Parametry pracy: 0~40°C; 0~90%RH (bez kondensacji)
    • Materiał powierzchniowy: Tworzywo konstrukcyjne ABS,
    • Wymiar zewnętrzny: 85*130*40mm (szer.*wys.*gł.)

    Urządzenie należy do rodziny termostatów o niezawodnej konstrukcji, stosowany od wielu lat na różnych rynkach i pod różnymi markami.

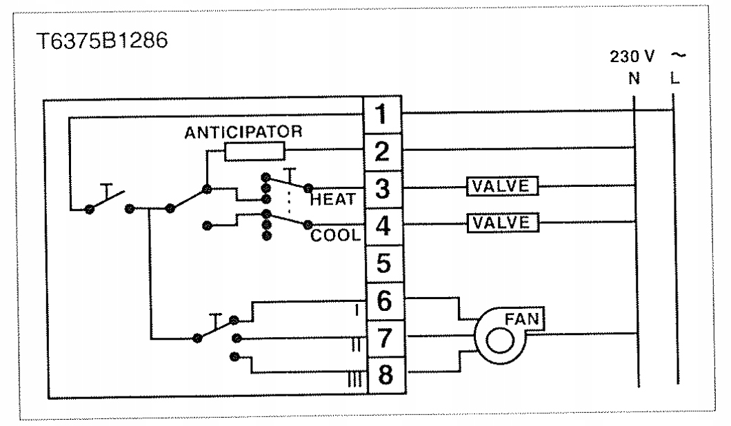
    Termostat posiada oddzielne wyjścia na zawór grzania i zawór chłodzenia oraz wyjścia na 3-biegowy wentylator. W zależności od nastawy temperatury oraz wyboru opcji grzania chłodzenia, termostat odpowiednio otwiera bądź zamyka poszczególny zawór. Pomiar temperatury odbywa się na zasadzie rozszerzalności gazu w zasobniku pomiarowym. Funkcja sterowania adaptacyjnego zwiększa dokładnośc regulacji.

    Przełacznik ON-OFF włącza lub wyłacza działanie termostatu.

    Przełacznikiem HEAT-FAN-COOL wybieramy opcję grzania lub chłodzenia lub sam wentylator.

    Przełącznikiem FAN 1,2,3 dokonujemy wyboru prędkości wentylatora.

    У нас есть весь ассортимент BELIMO

    K O N T A K T:

    Фирма: .....

    тел......

    электронная почта .......

    из-за политики Аллегро приведем в закате ниже

    "О ПРОДАВЦЕ"

    Корзина 0