1. Дом и Сад
  2. Строительство и Аксессуары
  3. Забор и ворота
  4. Аксессуары
  5. Драйверы

Контроллер шлюза AMT BRAMSTER id. 1



#товара: 17019126963

Все товары продавца: AMT-Sklep

Состояние Новый

Счет-фактура Я выставляю счет-фактуру НДС

Бренд АМТ

Код производителя BRAMSTER id.1

CE

WEEE

Количество 5 штук

  • Количество

  • Проблемы? Сомнения? Вопросы? Задайте вопрос!

    Opis:

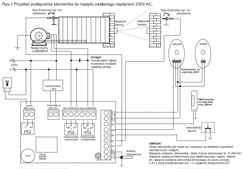
    Sterownik przeznaczony jest do bram przesuwnych lub rolet zasilanych napięciem stałym lub przemiennym 12V,24V, 230V. Do sterownika można podłączyć wyłączniki krańcowe, fotokomórki, przycisk do sterowania i lampę do sygnalizacji.

    Specyfikacja techniczna:

    • Zasilanie układu sterownika do 12-24V AC/DC
    • Programowany czas otwierania/zamykania
    • Wyjścia przekaźnikowe 12V- 230V/ max 7A
    • Sterowanie oświetleniem (wyjście przekaźnikowe)
    • Wejścia wyłączników krańcowych
    • Sterowanie przyciskiem typu dzwonkowego
    • Możliwość użycia pilota do kilku sterowników w zasięgu
    • Wejścia bariery podczerwieni (fotokomórki)
    • Wbudowany odbiornik radiowy

    Funkcje programowalne:

    • czasowe oświetlenie posesji po uruchomieniu napędu
    • błyski lampy ostrzegawczej przy pracy napędu
    • automatyczne zamykanie po wyjeździe z posesji
    • włącznik oświetlenia w garażu

    Zestaw zawiera:

    • sterownik Bramster
    • dwa piloty
    • instrukcję

    Корзина 0