1. Автомобили
  2. Автозапчасти
  3. Электрическая система, зажигание
  4. Реле

Реле 6 pin 12V 20A для стеклоочистителей, совместимых с VW



#товара: 17464033749

Все товары продавца: motoelektra

Состояние Новый

Счет-фактура Я выставляю счет-фактуру НДС

Производитель части motoLEDy

Номер детали 1353

Каталожные номера замен 1353E

Каталожный номер оригинала 1353E

4x4/SUV

Грузовые автомобили

Коммерческие автомобили

Автодома

Автомобили

Количество 987 штук

  • Количество

  • Проблемы? Сомнения? Вопросы? Задайте вопрос!

    Przekaźnik Przerywany Wycieraczek 6-pin – Precyzyjne Sterowanie Pracą Wycieraczek (100 000 cykli, -40°C do 85°C)

    Zachowaj Doskonałą Widoczność w Każdych Warunkach Pogodowych!

    Ten 6-pinowy przekaźnik przerywany wycieraczek to kluczowy element zapewniający bezpieczną i komfortową jazdę podczas deszczu. Dzięki precyzyjnemu sterowaniu pracą wycieraczek, gwarantuje optymalną widoczność przy zachowaniu energooszczędności i cichej pracy.

    Kluczowe Parametry Techniczne:

    • Czas pracy wycieraczek: 3s + 3s (standardowy tryb)
    • Tryb przerywany: 5,5s ±1,5s (regulowany interwał)
    • Wyjątkowa trwałość: 100 000 cykli – długotrwała niezawodność
    • Niskie straty napięcia: max. 150mV przy 5A – efektywna praca
    • Ekstremalna odporność: zakres temperatur -40°C do +85°C
    • Uniwersalne napięcie: 12V i 24V (dla większości pojazdów)
    • Zwarta konstrukcja: waga tylko 29g – łatwy montaż

    Inteligentne Funkcje:

    Tryb przerywany – oszczędne i komfortowe działanie

    Funkcja mycia z opóźnieniem – automatyczne wyłączenie po 3-6 sekundach

    Pełna synchronizacja z przełącznikiem kombinowanym i pompą spryskiwacza

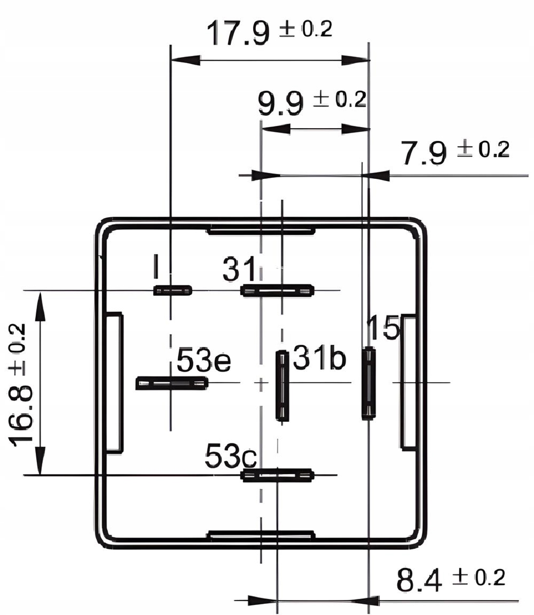
    Prosty Schemat Podłączenia:

    • Zacisk 15: +12V/+24V (zasilanie)
    • Zacisk 31: masa (B-)
    • Zaciski I/53e (53M): sterowanie przełącznikiem kombinowanym
    • Zacisk 31b (53S): wyłącznik silnika wycieraczek
    • Zacisk 53c (T): sterowanie pompą spryskiwacza

    Dlaczego Ten Przekaźnik?

    🔹 Zwiększone bezpieczeństwo – precyzyjna kontrola pracy wycieraczek

    🔹 Oszczędność energii – minimalne spadki napięcia

    🔹 Uniwersalność – kompatybilny z wieloma modelami samochodów

    🔹 Wyjątkowa trwałość – sprawdzony w ekstremalnych warunkach

    Idealny dla:

    • Warsztatów samochodowych
    • Właścicieli pojazdów osobowych i dostawczych
    • Entuzjastów motoryzacji dbających o niezawodność

    Uwaga: Przed montażem zalecamy sprawdzenie schematu elektrycznego pojazdu dla prawidłowego podłączenia.

    Certyfikaty:     CE

    Корзина 0