1. Компания и услуги
  2. Промышленность
  3. Материалы и аксессуары
  4. Промышленная автоматика
  5. Приводы
  6. Мотор-редукторы

Zestaw Przekładnia reduktor z silnikiem 3 faz 0,37kW 71 Promotor PM50 1/50



#товара: 17846568299


Состояние Новый

Счет-фактура Я выставляю счет-фактуру НДС

Бренд Инициатор

Модель PM50 i=50 71B5 + MS 0,37kW

Тип мотор-редуктора шнек

Номинальная мощность 370 В

Скорость вращения 28 obr./min

Код производителя PM50 i=50 71B5 + MS 0,37kW

Состояние упаковки оригинальные

Количество 5 штук

  • Количество

  • Проблемы? Сомнения? Вопросы? Задайте вопрос!

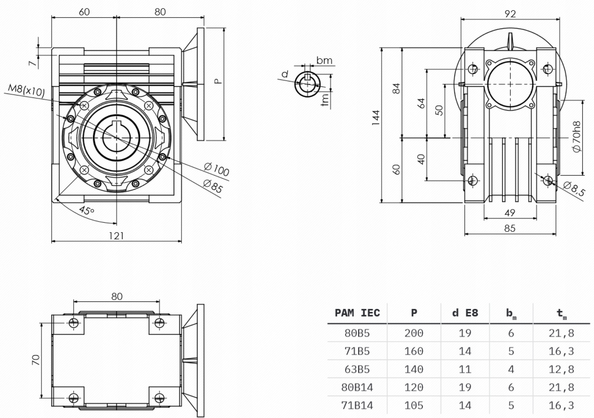
    Dane techniczne przekładni:

    • Model: PM 050
    • Kołnierz pod silnik: 71 B5 160mm
    • Średnica tulei pod silnik: 14MM
    • Średnica tulei wyjściowej: 25mm
    • Korpus - Aluminium
    • Przełożenie:  i=50 w połączeniu z silnikiem na 1400 obrotów daje 28 obrotów na wyjściu

    Dane techniczne silnika:

    • Napięcie zasilania - Trójfazowe 230/400V
    • Wielkość mechaniczna - 71
    • Moc znamionowa kW - 0,37
    • Prędkość obr/min - 1390
    • Średnica wału - 14mm
    • Forma montażu - B5 160mm
    • Korpus - Aluminium
    • Uzwojenie - miedziane

    Корзина 0