1. Коллекции
  2. Моделизм
  3. С дистанционным управлением
  4. Запчасти и аксессуары
  5. Двигатели

ДВИГАТЕЛЬ 230 В ЭЛЕКТРИЧЕСКИЙ 14W 2,5 об / мин электрический привод замыкает электрическую защитники



#товара: 8811615346

Все товары продавца: zielonybonzaj

Состояние Новый

Счет-фактура Я выставляю счет-фактуру НДС

name Счет-фактура

name Я выставляю счет-фактуру НДС

Количество 5 штук

Рассчитайте примерную доставку

  • Количество

  • Проблемы? Сомнения? Вопросы? Задайте вопрос!

    SILNIK Z PRZEKŁADNIĄ - WOLNOBIEŻNY 230VAC 14W,    

    .

    2,5 OBROTÓW NA MINUTĘ

    .

    Wbudowana przekładnia, cicha praca. Możliwa łatwa zmiana kierunku obrotów.

    .

    W komplecie jest kondensator.

    .

    Brak szczotek więc nie trzeba ich wymieniać.

    Максимальная мощность 14 Вт, источник питания 230 В переменного тока 50 Гц.

    .

    Максимальный момент 75kg.cm

    .

    Ниже каталог записки:

    Двигатели совершенно новые.

    .

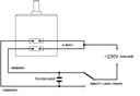
    Подключение с конденсатором и питанием показано на рисунке ниже (конденсатор прикреплен болтами к корпусу):

    Ниже галерея продукта:

    Дополнительная фотография для 14W двигателей (у меня скорость от 2,5 до 50 оборотов в минуту):

    Двигатели являются на заводе новые.

    .

    У нас также есть переключатели направлении (влево / вправо) для этих двигателей.

    Корзина 0