1. Мебель
  2. Аксессуары мебельные
  3. Прочие

A029 муфта мебельный паз для резьбы M8 x 15 10 шт.



#товара: 9295467900

Все товары продавца: Global-service

Состояние Новый

Счет-фактура Я выставляю счет-фактуру НДС

name Счет-фактура

name Я выставляю счет-фактуру НДС

Количество 398 штук

Рассчитайте примерную доставку

  • Количество

  • Проблемы? Сомнения? Вопросы? Задайте вопрос!

    MUFA WKRĘCANA Z KOŁNIERZEM NA IMBUS

    KOD PRODUKTU: 312A008015Z

    ROZMIAR: GWINT M8, DŁUGOŚĆ 15 MM

    OPAKOWANIE: 10 SZT.

    MATERIAŁ: STAL, OCYNK BIAŁY

    Cena dotyczy jednego opakowania (10 sztuk). W przypadku dodatkowych pytań prosimy o kontakt.

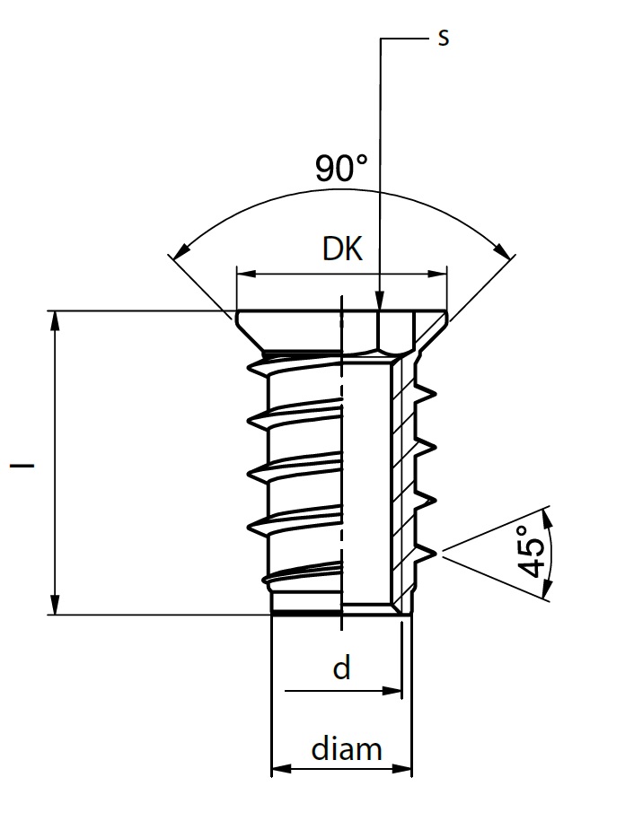
    Mufa standardowo używana jest w celu uzyskania gwintu metrycznego w płycie, jako gniazdo regulatora wysokości lub jako element składowy innego połączenia do mebli. Mufa jest wykonana ze stali – odpowiednia do wkręcania w płytę lub drewno. Kąt nachylenia mufy wynosi 90 stopni – wymaga ona wiercenia fazy do schowania kołnierza na równi z powierzchnią. Widać to na załączonym rysunku technicznym.

    UWAGA:

    Mufa jest wykonana ze stali – idealnie nadaje się do montażu w płycie oraz drewnie – miękkim (sosna, brzoza) oraz twardym (buk, dąb, jesion, grab). Oferowane na innych aukcjach mufy znalowe nie nadają się do twardych materiałów, ponieważ mogą uszkodzić się podczas wkręcania, gdyż jest to tylko odlew ciśnieniowy. W przypadku muf, wytwarzanych metodą COLD-FORGING, oferowanych na tej aukcji nie ma możliwości ich uszkodzenia podczas wkręcania w twarde drewno.

    Korzystaj z doświadczenia lidera w dziedzinie specjalistycznych okuć meblowych w Polsce !

    МОНТАЖ:

    Монтаж муфты должен быть выполнен путем сверления отверстия в дереве или плите. В зависимости от типа муфты и материал, в который мы хотим сделать монтаж мы делаем отверстие и скос для фланца. Затем вкручиваем муфту с помощью шестигранного ключа. Митинг fi 10 мм, для муфты с внутренней резьбой M8.

    Корзина 0