валлегро
Вход
Google
Facebook
VK.com
Mail.ru
Форум
Доставка
Сроки
Цена доставки
Как это работает
Запрещенные товары
Оплата
Способы оплаты
Расчет цены
Пополнить счет
Помощь
Не могу найти
Запрос с Allegro.pl
Вопрос?
0
0 р.
Гидравлические агрегаты
Весь сайт
Гидравлические агрегаты
Гидравлические агрегаты
Агрегаты малярные
Генераторы
Штукатурные агрегаты
Везде
Только в названии
Название и описание
Категории
Меню категорий
Гидравлические агрегаты
120
Агрегаты малярные
9999
Генераторы
9999
Штукатурные агрегаты
3219
Категория: Гидравлические агрегаты
Цена от
до
Применить
«
1
2
3
»
Maszyna do pianowania - Wintermann Xpress Plus
Przecinarka piła hydrauliczna nowa Stanley CO25 350mm
ПРИВОДИМЫЙ В ДЕЙСТВИЕ ГИДРАВЛИЧЕСКИЙ НАСОС PLUG СНЕЖНЫЙ ЭПОХУ
AGREGAT HYDRAULICZNY PRZEMYSŁOWY REXROTH
Комплект гидравлического агрегата NOVOPRESS
Agregat do piany PUR GRACO A-25 Reactor AP2614
Stacja agregat hydrauliczny SELWOOD HSP35 60l/min 240bar
ГИДРАВЛИЧЕСКАЯ СТАНЦИЯ HYCON HPP09
Дизельный гидравлический агрегат импорт Германия 20-40 л
Młot BR67 stacja agregat hydrauliczny 34kg
Смеситель - насос-агрегат BAPRO ONE впрыски
Agregat hydrauliczny zestaw pompa i silnik 6cc 3kW 24V 150bar Kramp
Agregat hydrauliczny 1,5 kW
ПРИВОДИМЫЙ В ДЕЙСТВИЕ ГИДРАВЛИЧЕСКИЙ НАСОС PLUG СНЕЖНЫЙ ЭПОХУ
ПРИВОДИМЫЙ В ДЕЙСТВИЕ ГИДРАВЛИЧЕСКИЙ НАСОС PLUG СНЕЖНЫЙ ЭПОХУ
Agregat do natrysku piany PUR i polimocznika KOMATZ Hercules
BELLE stacja hydrauliczna Major 30-140 - od ręki
Mieszadło pneumatyczne do kontenerów IBC
Agregat hydrauliczny 12V 1.6kW 8L pilot 210 bar KIPER WYWROTKA MOCNY JAKOŚĆ
Szlifierka hydrauliczna HG60 Stanley nowa do stacja agregat
Zbiornik na olej 667850UDT10M
Młot młotek hydrauliczny 5.3kg Belle BH051 stacja agregat
Agregat stacja hydrauliczna JCB BEAVER Honda
JCB Agregat hydrauliczny BEAVER III 929/16400
AGTECH Zbiornik na olej
O-RING POMPY XTREME DO FILTRA 1 SZT GRACO 244896
zawór tłoka ULTRA-MAX GRACO
Hydrauliczna Malowarka drogowa CX Shark PixelLine8000 10 l/min
Elektromagnes AC 220V 8N jak EZB
Widłakpodwójny23.80 mm2/G2/S2 Bondioli&Pavesi
HEŁM KASKI BHP OCHRONNY Z TWOIM LOGO NAZWA FIRMA CHEŁM ZNAKOWANIE OCHRONA
Młot hydrauliczny JCB HM25 25 kg 20 l
STACJA HYDRAULICZNA JCB BEAVER HONDA GX270 138BAR
Pompa hydrauliczna do wody brudnej JCB 2"
Stacja agregat hydrauliczny Belle Major 20/140 DEALER war_maz
AGTECH Pulpit sterujący
GRANIT Agregat kompaktowy GKA-AC3-0,75kW-1,1cc-C1-12V-5L
ГИДРАВЛИЧЕСКИЙ АГРЕГАТ ATLAS COPCO LP13-30P 20-30L.
ЭЛЕКТРИЧЕСКИЙ ГИДРАВЛИЧЕСКИЙ БЛОК ATLAS COPCO
Wąż Grzewczy 3/8" Komatz
Пневматическая мешалка для краски смолы краски на стойке
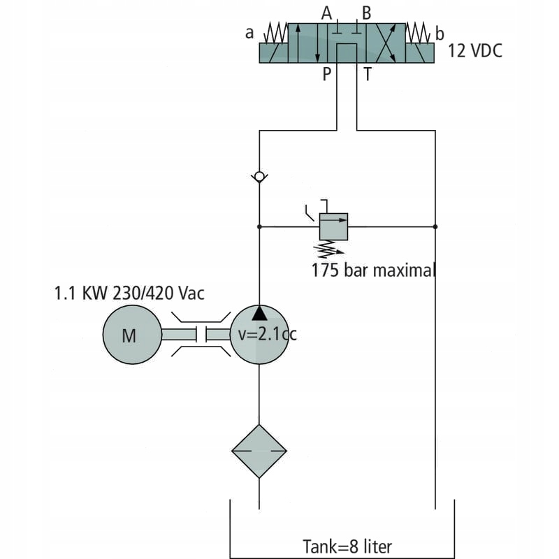
GRANIT Agregat kompaktowy GKA-AC3-1,1kW-2,1cc-C1-12V-8L-
WidłakpodwójnyW2300/P300/W300E Walterscheid K. 2126103
ZESTAW GRACO IGLICY DO PISTOLETU RS 24E417
Widłakpodwójny30.20 mm6/G7/H7 Bondioli&Pavesi
Agregat podnoszący do ścieków LIFTAWAY C40 GRUNDFOS 96003985 bez pompy
Oryginalna uszczelka TFEP do złączy kłowych DIN 3489 - GDOR LUDECKE
Agregat hydrauliczny 12V-2,2kW-12L, 175 bar
AGTECH Zbiornik na olej
GRANIT Agregat kompaktowy GKA-AC1-0,75kW-1,1cc-C2SO-12V-
AGTECH Cewka startowa
Norton Clipper Diamentowa otwornica 125 mm
AGTECH Silnik elektryczny agregatu
AGTECH Silnik elektryczny agregatu
AGTECH Agregat hydrauliczny
Champion Airtech Service Kit KSA11 KSA15
Agregat Embraco Bioma UP-NJ9232GS (647NMS6C3FI)
AGTECH Agregat hydrauliczny
AGTECH Agregat hydrauliczny
AGTECH Agregat hydrauliczny
«
1
2
3
»
×
Ваш вопрос!
Форум
или
Напишите ваш
емейл
Ваш вопрос
×
Вы знаете что хотите купить и нашли уже это на аллегро!? Просто пришлите нам ссылку!
Ссылка на товар в аллегро
Корзина
0